
Why Is It That The Cathodic Battery Symbol In An Equivalent

Kingtronics Multilayer Ceramic Capacitors Electrical

Microwave Band Pass Filter And Passive Devices Using Copper


Capacitor Quirks Reactance And Impedance Capacitive

Capacitor Characteristics
Does A Good Capacitor Has A Low Or High Resistance Quora

Common Drain Amplifier Circuit Diagram Equivalent Circuit

Table I From Modeling Of Metallized Polymer Films

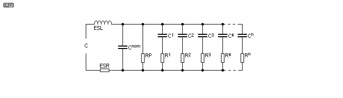
Electronics Free Full Text Electrical Circuit Modelling

Ac Load Line Of Bjt Ac Equivalent Circuits

Capacitors

Blog Of James Wei Permittivity Measurement With Hf2is

What Are The Esd Models Faq Tdk Product Center

Electronics Free Full Text Electrical Circuit Modelling

Energies Free Full Text State Of Charge Estimation For
Comments
Post a Comment