Instructions

Coil Mallory Ignition Mallory Unilite Distributor User

3 Wire Ignition Coil Diagram Engineer Wiring Diagram


Msd Tech Symptoms Troubleshooting Tehniques For Msd
Questions On Voltage To The Coil For B Bodies Only Classic

Resistor Wiring Diagram Wiring Diagram G11

Distributor Wiring Diagram Chevy 350 Anvelopesecondhand Net
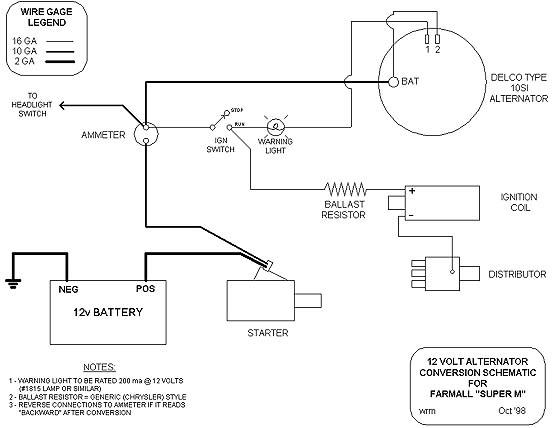
Don39t See A Ballast Resistor In The Diagram But It Does Say

Basic Ignition Wiring Diagram Eyelash Me

Accuspark Wiring Diagrams
Starter Solenoid Problem Mustang Forums At Stangnet
Technical 1929 A 6v To 12v Wiring Diagram Help The H A M B

6772 Chevy Wiring Diagram Librar Wiring 101

Primary Ignition Resistance Hemmings Daily

Heavy Duty External Ballast Resistor For Ignition Coils
Comments
Post a Comment